跳至正文

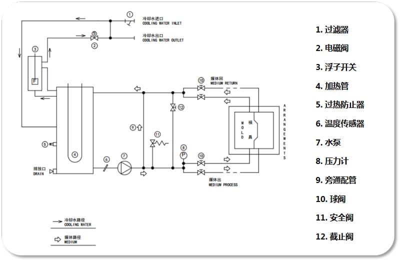
模温机

模温机的用途:

配套给注塑机,压铸机,在成型过程中,模温机能迅速提升模具的温度,并可以按不同原料所需求的温度,自由调节和保证模具温度稳定性,避免模具温度不稳定和成型过程中模具温度达不到产品成型的温度,减注塑宿或压铸生产不良率。

  • 选定模温机大小
  • 设定模温机介质温度
  • 选择单台或多台模温机配合使用